Schematica Tips And References
Best Schematica Tips and References website . Search anything about Schematica Ideas in this website.
More articles :
- Safe Electrical Connections: Wiring a 13 Amp Plug
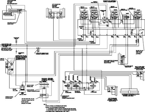
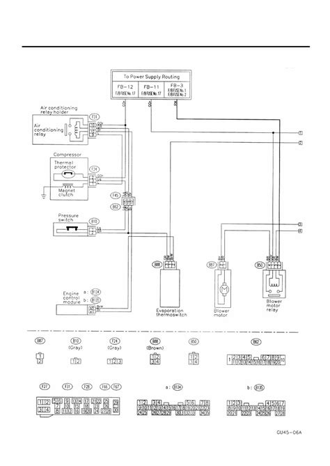
- Find the Right Manual: Download an International 9400i Truck AC System Wiring Diagram
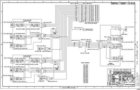
- Download the Blueprint to Your Truck: Access Dodge Ram Wiring Harness Diagram Here
- Install Your Truck Horn: Wiring Guide for a Hella Supertone Horn
- Download Free 1994 Chevrolet Truck Wiring Diagram
- Upgrade Your Car's Ignition System: Download an HEI Conversion Wiring Diagram
- Power Up Your Projects: Build an Arduino AC Power Supply
- Fix Electrical Problems in Your Corvette: 2003 Corvette Wiring Diagram
- Learn Basic Electronics: Build Your Own Full Subtractor Circuit
- Goodman AR24-1 Air Handler Wiring: Installation Guide